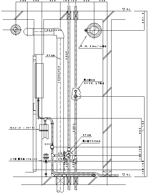
パイプシャフト断面詳細図 S=1/20
ダウンロード